Forum modelarskie RC , projektowanie CAD

forum.aerodesignworks.eu
Dzisiaj jest 16 lis 2025, o 16:11

Strefa czasowa UTC+2godz.




Nowy temat Odpowiedz w temacie  [ Posty: 30 ]  Przejdź na stronę Poprzednia  1, 2, 3  Następna
Autor Wiadomość
Post: 21 sty 2015, o 11:31 
Offline
Modelarz
Awatar użytkownika

Rejestracja: 12 lip 2012, o 10:44
Posty: 61
Lokalizacja: Zabrzeg
No ten, tego.
Właściwie to oczekiwałem tak ze dwa zdania wyjaśnienia, a tu dostałem wyczerpująca odpowiedź. Wielkie dzięki.
Odwalasz kawał dobrej roboty.


Na górę
 Wyświetl profil  
 
Post: 26 sty 2015, o 22:09 
Offline
Administrator
Awatar użytkownika

Rejestracja: 12 lip 2014, o 07:56
Posty: 1773
Lokalizacja: Gdańsk
9 Linie i ich modyfikacje
Powiedzmy, że mamy rysunek jak poniżej. Zaznaczyłem natarcie pionowego.
Jak w prosty sposób go zaprojektować – odpowiedź jest prosta: Funkcjami Offset, Line Length, Trim.
Załącznik:
57.jpg
57.jpg [ 138.42 KiB | Przeglądany 26694 razy ]


Rysujemy natarcie, niech będzie z balsy 4mm. Wybieramy z menu Edit->Offset.
Załącznik:
58.jpg
58.jpg [ 140.47 KiB | Przeglądany 26694 razy ]


Od razu ustawimy o jaka wartość będzie od odsunięty nowy element. Zatem wciskamy TAB.
Załącznik:
59.jpg
59.jpg [ 22.83 KiB | Przeglądany 26694 razy ]


Zostaliśmy przeniesieni na pasek właściwości, w polu Offset podajemy wartość: 4 i wciskamy ENTER.
Teraz zaznaczamy element na których chcemy tą funkcję wykonać.
Załącznik:
60.jpg
60.jpg [ 128.3 KiB | Przeglądany 26694 razy ]


A następnie stronę po której ma zostać narysowany nowy element.
Załącznik:
61.jpg
61.jpg [ 129.21 KiB | Przeglądany 26694 razy ]


Nasza nowa linia jest za krótka, jest to spodziewane i tak ma być.
Wybieramy nowe narzędzie: LineLength - pozwoli nam ona dopasować długość linii.
Zamiast zastanawiać się pod jakim kątem jest linia i dorysowywać brakujący kawałek – po prostu przedłużymy linię.
Załącznik:
62.jpg
62.jpg [ 137.44 KiB | Przeglądany 26694 razy ]



Zaznaczamy linię na jej końcu i przedłużamy. Nie staramy się idealnie wpasować, gdyż łatwiej będzie nadmiar uciąć.
Załącznik:
63.jpg
63.jpg [ 134.64 KiB | Przeglądany 26694 razy ]


Zmieniłem kolor nowej linii i rozciągnąłem ją ku górze i dołowi. W dół dlatego iż za natarciem ma być sosna 3x3.
Aby ją narysować ponownie skorzystamy z funkcji Offset.
Wybieramy ją ustawiamy 3mm i wybieramy wewnętrzną stronę naszej nowej linii.
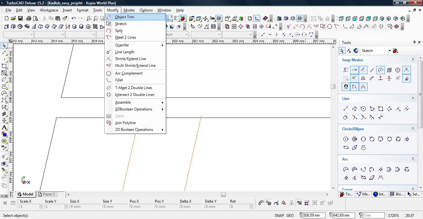
Teraz przytniemy je na wymiar. Wybieramy Modify->Object Trim.
Załącznik:
64.jpg
64.jpg [ 135.69 KiB | Przeglądany 26694 razy ]



Zaznaczamy linię cięcia, a następnie elementy do odcięcia.
Załącznik:
65.jpg
65.jpg [ 114.89 KiB | Przeglądany 26694 razy ]


I gotowe.
Załącznik:
66.jpg
66.jpg [ 134.99 KiB | Przeglądany 26694 razy ]

_________________
Nic tak nie cieszy, jak własny szybowiec :D
____________SAM 18-025_____________
https://gliders.pl


Na górę
 Wyświetl profil  
 
Post: 26 sty 2015, o 22:13 
Offline
Administrator
Awatar użytkownika

Rejestracja: 12 lip 2014, o 07:56
Posty: 1773
Lokalizacja: Gdańsk
9.1 Polylinia.
Polylinia składa się z segmentów. Segment może być odcinkiem prostym lub łukiem.
Jak wyrysować łuk, rysując z polylinii?
Rysujemy przykładowo 2 segmenty, następnie zwracamy uwagę na pasek właściwości, z jego opcji wybieramy ‘Arc Segment’
Załącznik:
67.jpg
67.jpg [ 112 KiB | Przeglądany 26691 razy ]

I rysujemy łuk.
Załącznik:
68.jpg
68.jpg [ 124.07 KiB | Przeglądany 26691 razy ]


Zamykamy linię, lub przełączamy się na ‘Line Segment’ by ponownie rysować linie proste.
Zróbmy z tego wręgę i dodajmy miejsce na podłużnice. Pasowało by element wyażurować.
Możemy prosto to wykonać używając funkcji Offset użyjmy jej z wartością 5 mm – Tylko zanim wybierzemy element, z paska właściwości wybieramy ‘Rounded Corners’.
Załącznik:
69.jpg
69.jpg [ 10.7 KiB | Przeglądany 26691 razy ]


Prawie to o co nam chodzi.
Załącznik:
70.jpg
70.jpg [ 130.8 KiB | Przeglądany 26691 razy ]


Poprawimy sobie wewnętrzny narożnik przy podstawie.
Wybieram z menu Modify->Fillet. Narzędzie to pozwala nam zaokrąglać narożniki.
Po wybraniu narzędzia w pasku właściwości, wybieramy promień (Możemy też ustawić czy po wykonaniu, narożnik będzie łukiem i linią czy polylinią).
Następnie jedną przyległą linię a potem drugą.
Załącznik:
71.jpg
71.jpg [ 125.77 KiB | Przeglądany 26691 razy ]

Otrzymujemy zamierzony cel.
Załącznik:
72.jpg
72.jpg [ 130.25 KiB | Przeglądany 26691 razy ]


W ten sam sposób, zajmujemy się resztą.
Załącznik:
73.jpg
73.jpg [ 131.36 KiB | Przeglądany 26691 razy ]



p.s. Rozbiłem na 2 posty z uwagi na ograniczenie załączników.

_________________
Nic tak nie cieszy, jak własny szybowiec :D
____________SAM 18-025_____________
https://gliders.pl


Na górę
 Wyświetl profil  
 
Post: 1 lut 2015, o 09:25 
Offline
Administrator
Awatar użytkownika

Rejestracja: 12 lip 2014, o 07:56
Posty: 1773
Lokalizacja: Gdańsk
10 Rysowanie 3D.
Rysować w 3D możemy na dwa sposoby.
Albo korzystamy z funkcji 3D (Bryła, sfera, polylinia 3D) albo przekształcamy obiekty 2D w 3D.

Przekształcać możemy także na dwa sposoby. Albo korzystamy z funkcji: Simple Extrude (Proste wyciągnięcie) albo nadajemy grubość obiektom sami w ich właściwościach.

Właściwości (Zaznaczamy obiekt i wciskamy CTRL+F lub PKM i wybieramy właściwości)):
Załącznik:
74.jpg
74.jpg [ 139.15 KiB | Przeglądany 26652 razy ]


Simple Extrude (z menu Insert->3D Object->Simple Extrude)
Załącznik:
75.jpg
75.jpg [ 108.37 KiB | Przeglądany 26652 razy ]


Po wybraniu funkcji zaznaczamy obiekt, wciskamy TAB – aby przejść do paska właściwości I wpisujemy wysokość obiektu.
Funkcja ta ma jedną dostępną opcje (widoczna ikonka po prawej od pola z wysokością) –zaznaczenie tej opcji spowoduje, że obiekt będzie wyciągnięty w dwóch kierunkach.
Przy czym jego ogólna wysokość będzie i tak taka jak podamy.
Dla przykładu z zaznaczoną opcją: Two Side Extrude wpisanie 5 jako wysokość spowoduje wyciągnięcie o 2,5 w dół i o 2,5 w górę.


Różnica pomiędzy wyciąganiem a nadawaniem grubości przez pole we właściwościach jest jedna.
We właściwościach modyfikujemy na stałe nasz obiekt.
Używając funkcji Simple Extrude, TurboCad tworzy nowy obiekt na podstawie naszego i poddaje go modyfikacji.
Czyli de facto tworzy nam kopię. Widać to na screenie poniżej. Cały czas mamy naszą polylinię oraz obiekt 3D – wyciągnięta kopia.
Załącznik:
76.jpg
76.jpg [ 122.23 KiB | Przeglądany 26652 razy ]



10.1 Workplane – płaszczyzna pracy
Do dalszej pracy włączmy sobie wyświetlanie koordynatów.
Załącznik:
77.jpg
77.jpg [ 131.5 KiB | Przeglądany 26652 razy ]



Istnieje w TurboCad pojęcie płaszczyzny pracy. Jest to aktualny obszar odniesienia dla nowo tworzonych obiektów.

Jest to bardzo przydatne narzędzie podczas rysownia. No dobrze ktoś zapyta: Ale w czym problem?
Otóż, zobaczmy na screen poniżej. Na naszym pudełku narysowałem okrąg. Wygląda prawie dobrze...
Załącznik:
78.jpg
78.jpg [ 116.69 KiB | Przeglądany 26652 razy ]


Jednak, kiedy zmienimy widok, okazuje się, że nie do końca jest to, to o co nam chodziło.
Załącznik:
79.jpg
79.jpg [ 117.88 KiB | Przeglądany 26652 razy ]


Element jest mniej więcej w tym miejscu co trzeba ale nie na tej płaszczyźnie.
Oczekiwałem, że okrąg będzie na górze pudełka a tymczasem jest w jego środku.
Stało się to dlatego iż właśnie w tym miejscy jest podstawowa płaszczyzna pracy.
Jest to, to samo miejsce w którym leży nasza pierwsza polylinią, z której wyciągnęliśmy obiekt 3D.

No dobrze, można by pomyśleć iż wystarczy przełączyć narzędzie Select w tryb operacji 3D.
A następnie nadać jakąś wartość w osi Z dla naszego okręgu, aby przenieść go w górę.

Niby tak, ale czy nie lepiej narysować od razu ten element tam gdzie trzeba?

Usuwamy nasz okrąg i rysujemy ponownie, tylko najpierw zmieniamy płaszczyznę pracy.

Klikamy PKM gdzieś w wolnej przestrzeni na rysunku.
Załącznik:
80.jpg
80.jpg [ 140.5 KiB | Przeglądany 26652 razy ]


Z menu podręcznego wybieramy Workplane By Facet.
Zwróćcie uwagę na nasz kursor i zachowanie obiektu gdy się po nim poruszamy.
Załącznik:
81.jpg
81.jpg [ 120.05 KiB | Przeglądany 26652 razy ]


Więc w tym momencie ustawiamy wg. którego obszaru ustawi nam się płaszczyzna pracy.
Podświetlony element na zielono sygnalizuję wybrana płaszczyznę. Dodatkowo widoczny jest układ koordynatów.
Wybieramy górną, płaszczyznę i klikamy LKM.
Załącznik:
82.jpg
82.jpg [ 122.52 KiB | Przeglądany 26652 razy ]


Teraz bierzemy się za ponowne rysowanie okręgu. Robimy to tak samo jak wcześniej. Tym razem wszystko jest tak jak to sobie zaplanowaliśmy.
Załącznik:
83.jpg
83.jpg [ 122.27 KiB | Przeglądany 26652 razy ]


Możemy rysować elementy od razu w miejscach docelowych, bez zbędnej transformaty, obracania i cudowania z ustaleniem pozycji.
Załącznik:
84.jpg
84.jpg [ 112.24 KiB | Przeglądany 26652 razy ]

_________________
Nic tak nie cieszy, jak własny szybowiec :D
____________SAM 18-025_____________
https://gliders.pl


Na górę
 Wyświetl profil  
 
Post: 15 wrz 2015, o 18:56 
Offline
Administrator
Awatar użytkownika

Rejestracja: 12 lip 2014, o 07:56
Posty: 1773
Lokalizacja: Gdańsk
11 Praca z elementami.

Nie wiem jak wam ;) ale mi w Turbo Cad bardzo brakuje informacji z jakim elementem aktualnie pracuję.
Popatrzcie na screen poniżej. Generalnie nie wiadomo jakiego typu są to elementy.
Załącznik:
85.jpg
85.jpg [ 112.93 KiB | Przeglądany 26405 razy ]


Czy mamy tu okrąg, elipsę, splajny a może wszystko już jest polylinią?
Czasem gdy elementy się przecinają, TC pyta który chcemy wybrać wyświetlając wtedy jego typ.
Okazuje się, że możemy te informacje uzyskać zawsze. Wystarczy użyć odpowiedniej palety.
Z menu wybieramy Tools-> Customize. Wybieramy zakładkę palettes i z listy zaznaczamy Selection info.
Załącznik:
86.jpg
86.jpg [ 43.26 KiB | Przeglądany 26405 razy ]



Po tej operacji wraz z innymi paletami zostanie wyświetlona dodatkowa.
Załącznik:
87.jpg
87.jpg [ 113.44 KiB | Przeglądany 26405 razy ]



Klikamy na naszą paletę, a następnie zaznaczamy jakiś obiekt. W moim przypadki elipsę…. Która okazuje się splajnem.
Załącznik:
88.jpg
88.jpg [ 121.94 KiB | Przeglądany 26405 razy ]



Zwróćcie uwagę na interesującą sekcje Metrics. Po jej rozwinięciu w zależności od typu obiektu są różne ciekawe informacje.
Dla splajna, jest jego typ oraz długość linii.
Załącznik:
89.jpg
89.jpg [ 123.58 KiB | Przeglądany 26405 razy ]


A co jeśli wskażemy polylinię? … Rozbijmy naszego splajna na polylinię (SHIFT+ALT+E – funkcja Explode).
Załącznik:
90.jpg
90.jpg [ 124.83 KiB | Przeglądany 26405 razy ]



Nasz splajn zamienił się w polylinię i dodatkowo doszła informacja o jego powierzchni.
Wartość – jeśli rysujemy w mm wyrażona jest w milimetrach kwadratowych.
Poniżej koło zamienione na polylinię:
Załącznik:
91.jpg
91.jpg [ 123.84 KiB | Przeglądany 26405 razy ]


A co jeśli chcielibyśmy znać powierzchnię elipsy po offsetowaniu o 5 mm?
Załącznik:
92.jpg
92.jpg [ 121.81 KiB | Przeglądany 26405 razy ]



Możemy oczywiście zobaczyć oba elementy potem po prostu sobie odjąć wartości.
Albo możemy odjąć te elementy od siebie od razu w TC za pomocą funkcji Boolowych 2D.
Zatem wybieramy Modify=>2D Boolean Operations-> Subtrack. Wpierw zaznaczamy większy element potem mniejszy.

Powoduje to, że oba elementy stają się całością – jednym obiektem polylinii.
Dzięki temu mamy z powrotem nasze pomiary i od razu widać ile wynosi powierzchnia nowego elementu.

Załącznik:
93.jpg
93.jpg [ 127.61 KiB | Przeglądany 26405 razy ]


I teraz w prosty sposób możemy szacować ile będą ważyć nasze elementy :D

_________________
Nic tak nie cieszy, jak własny szybowiec :D
____________SAM 18-025_____________
https://gliders.pl


Na górę
 Wyświetl profil  
 
Post: 17 sty 2016, o 12:08 
Offline
Administrator
Awatar użytkownika

Rejestracja: 12 lip 2014, o 07:56
Posty: 1773
Lokalizacja: Gdańsk
12 Siatka (Grid)

Domyślnie każdy nowy plik utworzony w TC posiada włączoną siatkę.
Dziś opowiemy o niej kilka słów. Inspiracją do tego artykułu było pytanie od Pawła, który zwrócił uwagę na pewien szczegół.
A mianowicie chodzi o to, że siatka nie jest co 10mm, mimo, że układ mamy metryczny.
Widać to na zaznaczonym obszarze wg. Linijki jest to 12 mm z kawałkiem.
Załącznik:
94.png
94.png [ 94.96 KiB | Przeglądany 26161 razy ]


Siatkę ustawiamy we właściwościach rysunku, zatem klikamy PPM na zakładce model w lewym dolnym narożniku. Z menu wybieramy ‘Properties’
Załącznik:
95.png
95.png [ 80.34 KiB | Przeglądany 26161 razy ]


Ukaże nam się nowe okno.
Załącznik:
96.png
96.png [ 23.25 KiB | Przeglądany 26161 razy ]


Wybieramy sekcje ‘Grid’.
Załącznik:
97.png
97.png [ 14.52 KiB | Przeglądany 26161 razy ]


Idąc od góry.
Show grid: – Opcja sterująca włączeniem / wyłączeniem siatki.
Hide grid when…: - Opcja pomocnicza by ukryć wyświetlanie siatki gdy będzie ona mniejsza niż 1,524 mm
Type: - Typ siatki
Style: Styl [Punkty, krzyżyki, linie]
Spacing: – Ta opcja interesuje nas najbadziej, tu ustawiamy odległości pomiędzy liniami, czyli jakby rozdzielczość siatki. Podajemy np. 10mm.
Colors: – Kolor linii siatki.

Zatwierdzamy zmiany.
Załącznik:
98.png
98.png [ 77.13 KiB | Przeglądany 26161 razy ]


Teraz wygląda jak należy. Nie mniej jednak to jeszcze nie koniec opcji które mamy dostępne.
Przy kolorach na pewno zauważyliście przyciski Major / Minor.

Jest dostępna druga siatka podrzędna która może być np. automatyczna względem siatki głównej.
Wracamy do naszych właściwości rysunku, tylko tym razem wymieramy sekcję Advanced grid.
Załącznik:
99.png
99.png [ 14.87 KiB | Przeglądany 26161 razy ]


Frequency – Częstotliwość linii tj. dla odległości 10mm, przy częstotliwości 2 linie będą co 20mm.
MinorX / MinorY – to jest właśnie siatka podrzędna, może być włączona lub wyłączona (opcja None). Może mieć wartość automatyczną np. dzielenie / 2. Lub stały offset.
Orgin – punkt odniesienia.

Zapisujemy ustawienia.
Efekt widać poniżej, cieńsze linie to siatka podrzędna, grubsze siatka główna.
Co ciekawe, siatka nie ustawiła nam się na 5/10 tylko na 10/20. Sugeruje to, że opcja ‘Spacing’ jest globalna, jest to najmniejszy możliwy odstęp.
Załącznik:
100.png
100.png [ 73.7 KiB | Przeglądany 26161 razy ]


Na koniec kilka słów o szybkim sterowaniu. Za zobaczycie, przycisk od włączania / wyłączania siatki na taki mały czarny kwadracik, oznacza to że są tam dodatkowe opcje.
Załącznik:
101.png
101.png [ 75.05 KiB | Przeglądany 26161 razy ]


Opcje po kolei:
Włączy / wyłącz siatkę.
Siatka x2.
Siatka / 2.
Punkt odniesienia siatki.

Najbardziej przydatne są chyba Siatka x2 oraz Siatka /2 pozwalająca szybko zwiększyć / zmniejszyć rozdzielczość siatki.

_________________
Nic tak nie cieszy, jak własny szybowiec :D
____________SAM 18-025_____________
https://gliders.pl


Na górę
 Wyświetl profil  
 
Post: 27 sty 2016, o 22:01 
Offline
Administrator
Awatar użytkownika

Rejestracja: 12 lip 2014, o 07:56
Posty: 1773
Lokalizacja: Gdańsk
13 Warstwy
Warstwy, co tu dużo pisać warstwy są przydatne. :lol:
Do zarządzania nimi jest specjalne okno, dostępne z menu Options->Layers lub z paska narzędzi (zaznaczone na czerwono).
Załącznik:
102.png
102.png [ 78.24 KiB | Przeglądany 26070 razy ]

Okno zarządzania warstwami:
Załącznik:
103.png
103.png [ 11.97 KiB | Przeglądany 26070 razy ]

Patrząc od lewej opcje to:
  • Refresh – odświeża to okno
  • następne 4 służą do zarządzania filtrami warstw. Warstwy możemy grupować.
  • New Layer – tworzymy nową warstwę
  • Delete layer – usuwamy warstwę
  • Active – zaznaczoną warstwę ustawiamy jako domyślną
  • Select By – zaznacza wszystkie elementy należące do warstwy
  • Edit properties – Właściwości elementów należących do aktualnej warstwy
  • Visible – włącza / wyłącza wyświetlanie wszystkich warstw
  • Invert - zmienia na przeciwny opcje wyświetlania
  • Exclusive – wyłącza wyświetlanie warstw prócz zaznaczonej
  • Nastepne 3 opcje służą do blokowania warstw, podobnie jak z wyświetlaniem
  • Name prefix – domyślny prefiks dla nowych warstw
Część z tych opcji możemy zmienić klikając w odpowiednie miejsce na liście.
Załącznik:
104.png
104.png [ 21.96 KiB | Przeglądany 26070 razy ]


Zatem, używając warstw możemy zorganizować sobie pracę.
Ja np. na warstwach rozróżniam materiał. Ustalam sobie warstwy typu balsosklejka o jakimś kolorze itd.
Dzięki temu jak łączą mi się elementy różnych materiałów, widzę od razu, że trzeba zadbać o odpowiednie wpusty.

Czasem przenoszę wręgi przed offestowaniem, robię offset wręgę oryginalną przenoszę na inna warstwę i wyłączam jej wyświetlanie.
Nie przeszkadza a zawsze mogę do niej wrócić.

Jeśli chodzi o oddawanie plików na laser, to nie mam jakiegoś zdania od firm wycinających.
Jak bawiłem się programami CAM, to łatwiej było tworzyć ścieżki – po prostu zaznacza się warstwę i tyle.
Łatwiej wybrać co ma być cięte co grawerowane.
Osobiście i tak nie graweruje (a jak już to robiłem to napisy miałem na innej warstwie), więc wszystko na formatkach to jedna warstwa. (Tak robię, nie wiem czy dobrze, firmy tną nie narzekają :D )

_________________
Nic tak nie cieszy, jak własny szybowiec :D
____________SAM 18-025_____________
https://gliders.pl


Na górę
 Wyświetl profil  
 
Post: 29 sty 2016, o 12:28 
Offline
Administrator
Awatar użytkownika

Rejestracja: 3 kwie 2013, o 13:14
Posty: 562
Lokalizacja: Warszawa
Co do warstw i ja postanowiłem dorzucić swoje parę groszy ;) Mając na myśli temat TC (-> Turbo CAD) i posługiwanie się warstwami, warto zauważyć pewną cechę programu. Otóż otwierając nowy rysunek w TC i wybierając przycisk "Warstwy"
Załącznik:
01.jpg
01.jpg [ 108 KiB | Przeglądany 26037 razy ]

otrzymujemy coś takiego:
Załącznik:
2.jpg
2.jpg [ 71.27 KiB | Przeglądany 26037 razy ]

czyli mamy jedną, nazwijmy to podstawową warstwę rysunku. No dobrze, ale chcemy na rysunku utworzyć jakieś charakterystyczne punkty czy linie odniesienia, co do których, jako linii bazowych czy też punktów, będziemy mogli tworzyć swój własny rysunek? Jak mniemam, to co teraz przedstawiam będzie miało przede wszystkim zastosowanie do rysowania modelu nie z "obrysowywania podkładu", ale z wprowadzania przeliczonych wymiarów z konstrukcyjnych rysunków płatowca, jakich ostatnimi czasy jest coraz więcej w np. Modelarzu. Ale wracając do tematu: na rysunku mamy tylko tą warstwę podstawową ("0"). I tu uwaga: nie musimy tworzyć "specjalnie" warstwy konstrukcyjnej. Pojawi się ona automatyczne po wybraniu przycisku "linie konstrukcyjne":
Załącznik:
3.jpg
3.jpg [ 171.52 KiB | Przeglądany 26037 razy ]

i już mamy warstwę konstrukcyjną, o której mowa:
Załącznik:
4.jpg
4.jpg [ 231.67 KiB | Przeglądany 26037 razy ]

Tak jak Tomek pisał chyba w temacie Puchacza (ale pewien nie jestem), kolor linii (ten blado-szaro-niebieski) możemy zmienić sobie na inny tak, aby był lepiej widoczny. Jak Tomek przedstawił ostatnio w "Poradach..." w "lekcji" dotyczącej warstw, robimy to wybierając w odpowiednim polu dowolny kolor. Ja wybrałem czerwony. Oczywiście możemy wybrać również rodzaj i grubość linii - wg. fantazji. Wydaje mi się jednak, że, poza kolorem, najlepiej wybrać linię "nie ciągłą" i pod względem grubości "zerówkę":
Załącznik:
5.jpg
5.jpg [ 230.89 KiB | Przeglądany 26037 razy ]

Teraz (przynajmniej ja) zaznaczam główne linie konstrukcyjne, do których będę odnosił wstawianie następnych. Wstawiam najpierw poziomą, a następnie pionową linię konstrukcyjną (cały czas posługując się przyciskami w menu linii konstrukcyjnych):
Załącznik:
6.jpg
6.jpg [ 203.88 KiB | Przeglądany 26037 razy ]

Mamy już teraz naszą podstawę, do której będziemy "odnosić" dalsze działania:
Załącznik:
7.jpg
7.jpg [ 58.71 KiB | Przeglądany 26037 razy ]

Możemy więc uznać, że mamy już podstawę do rysowania linii konstrukcyjnych "z wymiarów" przenoszonych z planu konstrukcyjnego. Teraz umiejscawiamy na naszym rysunku położenie wręg (cały czas mam na myśli odwzorowanie rysunku konstrukcyjnego). W tym celu wybieramy z "przycisku" linii konstrukcyjnych opcję "rysuj równoległą":
Załącznik:
8.jpg
8.jpg [ 42.75 KiB | Przeglądany 26037 razy ]

dalszy ciąg niżej....

_________________
Pozdrawiam :)
Paweł
SAM 18-016


Na górę
 Wyświetl profil  
 
Post: 29 sty 2016, o 12:49 
Offline
Administrator
Awatar użytkownika

Rejestracja: 3 kwie 2013, o 13:14
Posty: 562
Lokalizacja: Warszawa
cd....
Zakładając, że rysujemy położenie wręg, naciskamy klawisz "Tab", co nas przenosi do pola, w którym wpiszemy zadaną przez nas odległość, na jaką chcemy odsunąć nową linię konstrukcyjną od wybranej linii (to co jest podświetlone na niebiesko):
Załącznik:
9.jpg
9.jpg [ 192.78 KiB | Przeglądany 26035 razy ]

Tu zwróćmy jeszcze uwagę na pewien drobny szczegół: otóż nad polem, w którym będziemy wpisywać wartość, jest taka mała czerwona kłódeczka, zamknięta. Tak powinno być, przy sposobie wprowadzania wartości, który opisuję. Jeśli kłódka jest niebieska i otwarta, wystarczy na nią kliknąć myszą i zmieni się na zamkniętą czerwoną. Co to daje? No bez zbędnych wyjaśnień wpisana wartość przy czerwonej kłódce będzie się "trzymała". W ten sposób możemy stawiać kolejne linie konstrukcyjne przesunięte o stałą wartość. Pozostanie ona niezmieniona do czasu wprowadzenia nowej wartości (czyli klawisz Tab itd.) Proponuję sprawdzić co i jak, metodą doświadczeń własnych ;). Wracając do tematu wpisujemy więc jakąś wartość, np. 23.67:
Załącznik:
10.jpg
10.jpg [ 182.76 KiB | Przeglądany 26035 razy ]

Teraz zaznaczamy konstrukcyjną, od której chcemy tą linię przesunąć (ten mały kwadracik) - narysować równolegle - przykładowo pionową. "Najeżdżamy" naszym krzyżykiem na pionową i widzimy, że nasza nowa konstrukcyjna ma już swoje położenie, tylko jest jeszcze w innym kolorze, niż wybrany (tutaj czarna). Programowo linia przesunęła się automatycznie w prawo lub w lewo od punktu odniesienia, czyli od pionowej (w zależności od tego, po której stronie linii był kursor w chwili kliknięcia):
Załącznik:
11.jpg
11.jpg [ 186.77 KiB | Przeglądany 26035 razy ]

Przesunięcie (lewo lub prawo) zależy wyłącznie tylko od tego, gdzie klikniemy punkt umieszczenia linii.
W każdej chwili, mimo, że "czarna linia" pokaże się nam nie z innej strony, którą wybraliśmy, możemy kliknąć po właściwej stronie linii konstrukcyjnej (przy pionowej - lewo lub prawo, przy poziomej - góra - dół) i wtedy linia zmieni się nam na kolor właściwy (taki, jak wcześniej wybraliśmy dla linii konstrukcyjnych - tutaj akurat czerwony).
Co jeszcze możemy zrobić z "konstrukcyjnymi"? Możemy je usuwać. Albo pojedynczo (wybierając po wskazaniu pojedyncze linie) albo wszystkie:
Załącznik:
12.jpg
12.jpg [ 130.79 KiB | Przeglądany 26035 razy ]

_________________
Pozdrawiam :)
Paweł
SAM 18-016


Na górę
 Wyświetl profil  
 
Post: 30 sty 2016, o 00:11 
Offline
Administrator
Awatar użytkownika

Rejestracja: 12 lip 2014, o 07:56
Posty: 1773
Lokalizacja: Gdańsk
14 Tworzenie 3D z 2D
Czasami zachodzi potrzeba lepszego zobrazowania rysunku, przydatne są wtedy funkcje 3D dostępne w Turbo Cad. Przedstawię temat na przykładzie projektu Puchacza. Mamy nasz wyjściowy rysunek 2D.
Załącznik:
1.png
1.png [ 141.84 KiB | Przeglądany 26012 razy ]

Jak widać mamy ileś wręg, każda z nich ma jakieś ażurowanie.
Od tego powinniśmy zacząć. Historycznie doświadczyłem wiele problemów z tym związanych. Największy problem jest uszkadzaniem powierzchni. Czasem przy ażurowaniu elementów 3D wszystko się rozsypuje.
Przechodząc do konkretów. Robimy operacje boolowskie 2D.
Załącznik:
2.png
2.png [ 145.4 KiB | Przeglądany 26012 razy ]

Opcje dostępne są w menu Modify -> 2D Boolean Operations.
  • Add – dodaje elementy do siebie
  • Subtract – odejmuje jeden element od drugiego
  • Intersect – zostaje tylko obszar pokrywający się.
Robimy ażurowanie, więc korzystamy z Subtract.
Przykładowa wręga. Każda polylinia to inny kolor, każdy element jest oddzielny.
Załącznik:
3.png
3.png [ 83.85 KiB | Przeglądany 26012 razy ]


Od większej powierzchni odejmujemy mniejszą. Wpierw wybieramy narzędzie, potem zaznaczamy wręgę.
Załącznik:
4.png
4.png [ 83.83 KiB | Przeglądany 26012 razy ]


Widać zaznaczony obrys, potem klikamy polylinię wewnątrz.
Załącznik:
5.png
5.png [ 82.91 KiB | Przeglądany 26012 razy ]


Zobaczcie, że polylinia wewnątrz ma zmieniony kolor, po zaznaczeniu
Załącznik:
6.png
6.png [ 87.09 KiB | Przeglądany 26012 razy ]



Wybrana jest całość. Tym samym sposobem robimy resztę elementów i gotowe.
Załącznik:
7.png
7.png [ 86.91 KiB | Przeglądany 26012 razy ]


Tu jeszcze filmik z tych operacji, co prawda na innym żeberku, ale to nie ma znaczenia ;)



Teraz możemy nadać grubość temu elementowi. Możemy to zrobić na 2 sposoby. Albo wybieramy jego właściwości i nadajemy grubość w sekcji ‘3D’, albo używamy opcji ‘Simple Extrude’.
Ta opcja druga jest przeze mnie preferowana. Głównie dlatego, że po utworzeniu elementu 3D, użyty element 2D, zostaje nie zmieniony. Zawsze można do niego wrócić i coś poprawić. Dodatkowo, nadając grubość możemy wybrać czy wartość jest od środka elementu czy nie. Dzięki temu jak mam poskładany rysunek w 2D, po przejściu w 3D, nie muszę nic przesuwać, jedynie obracam elementy o odpowiednią oś.
Wybieramy narzędzie ‘Simple Extrude’ (Insert->3D Object)
Załącznik:
8.png
8.png [ 106.59 KiB | Przeglądany 26012 razy ]


Na dole ekranu jest wspomniana wcześniej opcja ustawiania grubości po obu stronach.
Załącznik:
9.png
9.png [ 81.35 KiB | Przeglądany 26012 razy ]


Robimy działamy i np. kończymy z czymś takim:
Załącznik:
10.png
10.png [ 76.62 KiB | Przeglądany 26012 razy ]

Wszystko jest prawie dobrze, poza jednym małym szczegółem. Powierzchnia nie jest pełna. Render pokazuje, ciemny kolor tylko na krawędziach. Wynika to z tego, że nasza polylinia na której bazowaliśmy nie była zamknięta.
Aby powstał dobry obiekt 3D, obiekt 2D musi być zamknięta polylinią. Zatem usuwamy ten nie wypał, i zaznaczamy polylinię. Wybieramy EditTool (lub wciskamy CTRL+Spacja).
Załącznik:
11.png
11.png [ 78.95 KiB | Przeglądany 26012 razy ]

Istotny jest guziczek zaznaczony na czerwono, Jeśli jest aktywny, oznacza to że nasza polylinia jest otwarta i trzeba ją zamknąć. Klikamy więc close (Tak nazywa się ta zaznaczona opcja).
Ponownie wyciągamy bryłę za pomocą Simple extrude.
I mamy to czego oczekiwaliśmy na początku. Pełną bryłę 3D. Taki element traktujemy tak samo jak wszystko inne, właściwości i kolory zależą od warstwy na której się znajdują, bądź wymuszonej opcji.
Załącznik:
12.png
12.png [ 93.42 KiB | Przeglądany 26012 razy ]

_________________
Nic tak nie cieszy, jak własny szybowiec :D
____________SAM 18-025_____________
https://gliders.pl


Na górę
 Wyświetl profil  
 
Wyświetl posty nie starsze niż:  Sortuj wg  
Nowy temat Odpowiedz w temacie  [ Posty: 30 ]  Przejdź na stronę Poprzednia  1, 2, 3  Następna

Strefa czasowa UTC+2godz.


Kto jest online

Użytkownicy przeglądający to forum: Obecnie na forum nie ma żadnego zarejestrowanego użytkownika i 2 gości


Nie możesz tworzyć nowych tematów
Nie możesz odpowiadać w tematach
Nie możesz zmieniać swoich postów
Nie możesz usuwać swoich postów
Nie możesz dodawać załączników

Szukaj:
Przejdź do:  
Technologię dostarcza phpBB® Forum Software © phpBB Group